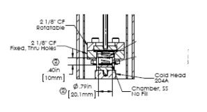
CS204*E-FMX-19 NGA是一种低温气体阱。该系统通过Swagelok或1.33”迷你法兰连接到质谱仪。该系统用于冷却不锈钢罐(阱)进行冷却,该不锈钢罐要么是抛光的,要么是含有活性炭的。低温阱是为高高真空环境建造的,由焊接不锈钢制成。
典型应用
•惰性气体分析
•低温气体吸附
•氦气、氖气分离
•从氪和氙中分离氩
典型特点
•无需任何制冷剂,耗能低
• 低温气体阱超高真空结构
• 阱可配备或不配备木炭吸附剂
• 可根据客户要求定制
标准结构
•冷头DE-204AE
• 压缩机ARS-4HW
• 2根氦气传输管线
• 惰性气体接口
• VCR或1.33 "迷你合并接口
• 温度测量和控制仪表:
10针密封电学接头
50欧姆热箔加热器
校准硅二极管温度计(±0.5K)用于温度控制
• 温度控温仪
选件与升级
•4K冷头 (0.2W @ 4.2K)
• 5.5K冷头(2W @ 10K)
• 450K高温插件
• 800K高温插件
• Turbo涡轮升级,减少冷却时间
• 定制温度传感器配置(请与我们的销售人员联系)
制冷技术 | 温度控制及测试配件 (标准) |
DE-204 | 闭循环制冷机 | 加热器 | 50欧姆薄膜加热器安装于冷头尾部 |
制冷机类型 | 气动式驱动GM循环 | 控制传感器 | 在冷端安装标准曲线的硅二极管温度传感器 |
制冷剂应用 | 无需制冷剂 | 自由长度传感器 | 带自由长度导线的校准硅二极管温度传感器 |
温度 | 如果有其他选择,我们 |
DE-204AE | < 9K - 350K | 设备访问 |
DE-204SE | < 4K - 350K | 仪表裙 | 铝 |
DE-204PE | < 5.5K - 350K | 泵端口 | 1 - NW 25 |
800K高温插件 | (最 低温度 + 2K) - 700K | 仪表端口 | 2 |
450K高温插件 | (最 低温度 + 2K) - 450K | 仪表接线 | 联系销售人员进行选择 |
温度稳定性 | 0.1K | 真空罩 |
*基于带封闭辐射屏蔽的裸冷头,没有额外的实验热源或寄生热负荷 | 材质 | 不锈钢 |
防热辐射屏 | 长度 | 881mm (34.7 in) |
材质 | 无氧铜 | 直径 | 77 mm (3in) 样品位置 |
连接方式 | 螺纹连接 | 宽度 | 77 mm (3in) 样品位置 |
恒温器尺寸 | 样品室接口 |
总长度 | 881 mm (34.7 in) | VCR | 1/4” |
电机外壳直径 | 114 mm (4.5 in) | 迷你Conflat法兰 | 1.33” |
制冷机型号 | DE-204AE | DE-204A(T)E | DE-204PE | DE-204SE |
| 频率 | 60 Hz | 50 Hz | 60 Hz | 50 Hz | 60 Hz | 50 Hz | 60 Hz | 50 Hz |
|
最 低温度 | <9K | <9K | <9K | <9K | <5.5K | <5.5K | <4.2K | <4.2K |
|
制冷量 | 4.2K | - | - | - | - | - | - | 0.2W | 0.16W |
| 10K | 2W | 1.6W | 2.7W | 2.2W | 3.5W | 2.8W | 4W | 3.2W |
|
| 20K | 9W | 7.2W | 12W | 9.6W | 8W | 6.4W | 8W | 6.4W |
|
| 77K | 17W | 14W | 23W | 18.4W | 14W | 11W | 14W | 11W |
|
防热辐射屏冷量 | 18W | 14W | 24W | 19W | 18W | 14W | 18W | 14W |
|
降温时间 | 20K | 30 min | 36 min | 25 min | 30 min | 40 min | 48 min | 40 min | 48 min |
| 最 低温度 | 60 min | 72 min | 50 min | 60 min | 80 min | 102 min | 90 min | 108 min |
|
压缩机型号 | ARS-4HW | ARS-4HW | ARS-4HW | ARS-4HW |
典型维护周期 | 12,000 hours | 8,000 hours | 12,000 hours | 12,000 hours |
样品空间 | ARS-4HW压缩机 |

| 
|
压缩机型号 | ARS-4HW |
| 频率 | 60 Hz | 50 Hz |
标准电压 | Min | 208 V | 190 V |
| Max | 230 V | 210 V |
变压器 | 10% |
| 220 V, 230 V |
| 15% |
| 240 V |
输入功率 | 单相电 | 3.6 kW | 3.0 kW |
制冷气体 | 99.999% 高纯氦气预充 |
噪声级别 | 60 dBA |
环境温度 |
|
冷却水 | 消耗 | 2.3 L / min (0.6 Gal. / min) |
| 温度 | 10 - 35 C (50—95 F) |
| 连接 | 3/8 in. Swagelok Fitting |
外形尺寸 | L | 483 mm (19 in) |
| W | 434 mm (17.1 in) |
| H | 516 mm (20.3 in) |
重量 | 72 kg (160 lbs) |
典型维护周期 | 12,000 hours |
冷水机 | CoolPac Compatible |